IMG_7505
IMG_7502
IMG_7495
IMG_7494
IMG_7489
IMG_7487
IMG_7483
QQ截图20190819104631

1 inch to CF 2-3/4 inch Stainless Steel Fittings to Tube Adapters Conflat Flange (CF) Twin Ferrule Flang Adapter Instrumentation Flang Adaptor China Manufacture Fittings 316L

 

 

 

1.Available in size: 1/16" to 1", and 2mm to 25mm.
2.Working temperature:-325℉~800℉ (-198℃~426℃).
3.Material grades: SS 304, SS 316, Brass, Special Alloys.
4.Thread:NPT, BSP, BSPT, UNF, ISO, SAE etc.
5.Zero leakage even under tough working conditions.
6.High quality silver plated threads on nuts to ensure no galling on the body threads.
7.Simple to operate and save time and cost because of the usage of elastic seal.
8.Available in wide variety of configurations.
9.It can be reused.

 

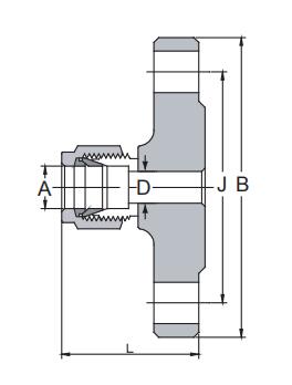
-SK-FW Flange Adapter(DIN Flange)
 
Order information
A
DN
 
PN
L
(mm)
(in)
(in)
(mm)
-SK-FW-6mm-16
6
1
4.0
1.87
47.5
-SK-FW-12mm-8
12
1/2
4.0
1.91
48.5
-SK-FW-12mm-16
12
1
4.0
1.99
50.5
-SK-FW-12mm-32
12
2
4.0
2.18
55.3
-SK-FW-18mm-8
18
1/2
4.0
2.04
51.8
-SK-FW-18mm-16
18
1
4.0
2.12
53.8
-SK-FW-25mm-16
25
1
4.0
2.52
64.0
 
Order information
B
D
J
(in)
(mm)
(in)
(mm)
(in)
(mm)
-SK-FW-6mm-16
4.53
115
0.19
4.8
3.35
85.0
-SK-FW-12mm-8
3.74
95
0.37
9.5
2.56
65.0
-SK-FW-12mm-16
4.53
115
0.37
9.5
3.35
85.0
-SK-FW-12mm-32
6.50
165
0.37
9.5
4.92
125.0
-SK-FW-18mm-8
3.74
95
0.06
1.5 1
2.56
65.0
-SK-FW-18mm-16
4.53
115
0.06
1.51
3.35
85.0
-SK-FW-25mm-16
4.53
115
0.86
21.8
3.35
85.0

 

 

 

 

 

 

Contact US

First Name *

Last Name

Company (if applicable)

Country

Email *

Phone Number

Address

Zip Code

Subject
Message *